We source directly from Eaton - 100% genuine, new-in-box certified parts.
Eaton / Moeller Series
9–12A relay, 40A fuse
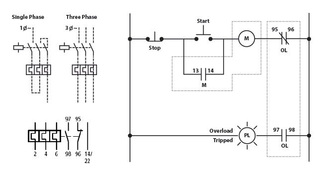
Moeller ZE-12 is a thermal overload relay with an adjustable setting range from 9–12A. It includes one normally open and one normally closed auxiliary contact, with short circuit protection supported up to 600V AC using 40A fuses.
Country of Origin: DE
We source directly from Eaton - 100% genuine, new-in-box certified parts.
Overload has one normally closed contact that opens upon trip and one normally open contact that closes when tripped.
Class 10A overload, Trip response from 2 to 10 seconds, Ambient compensated, Bi-Metallic tripping mechanism, Phase failure sensitive to IEC/EN 60947, Manual/Automatic reset button, Built in NO and NC auxiliary contacts.


| Model | ZE-12 |
|---|---|
| Device Type | Thermal Overload Relay |
| Adjustable Setting Range | 9 – 12A |
| Normally Open Contacts | 1 |
| Normally Closed Contacts | 1 |
| Short Circuit Protection (Fuses) | 40A @ 600V AC |
| Short Circuit Protection (Breaker) | Not Specified |
Doing business with KM Parts has been a game-changer for our company. Their vast inventory and prompt same-day shipping have significantly minimized our downtime. The team's expertise and willingness to go the extra mile have made them an invaluable partner in our industrial automation needs.
We only sell authorized Eaton/Moeller parts. No knock-offs, no used parts, all warrantied. As the largest authorized stocking USA distributor representing Eaton/Moeller, we’re here to help your company run smoothly, with the best parts available, at competitive pricing, and with minimal downtime.