We source directly from Eaton - 100% genuine, new-in-box certified parts.
Eaton / Moeller Series
PLC relay, 8-device network, 300+ I/O.
The easy821-DC-TC control relay and MFD Titan combine virtually all the features of a PLC with the user-friendly operating features of the well-known Easy product line. Their integrated networking capability allows for up to eight devices, implementing applications with over 300 I/O. The control system can be designed either using a single local program or using several programs on the different distributed devices. Up to 1000 metres can be covered by the network. The control relays can also be integrated easily in higher-level automation networks thanks to the networking modules available (for PROFIBUS DP, CANopen, DeviceNet, AS-Interface).
Country of Origin: DE
We source directly from Eaton - 100% genuine, new-in-box certified parts.
| Supply Voltage | 24 VDC |
|---|---|
| Power Dissipation | 3.4 W |
| Digital Inputs | 12 |
| Analog Inputs | Up to 4 of the 12 digital inputs (0–10 V) |
| Transistor Outputs | 8 |
| Analog Outputs (0–10 V) | -- |
| LC Display | Yes |
| Keypad / Keypad EASY | Yes / Yes |
| Week / Year Clock | Yes |
| Output Continuous Current | 0.50 A |
| Short-Circuit Proof at cos φ = 1 | -- |
| Short-Circuit Proof at cos φ = 0.7 | -- |
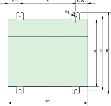
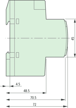
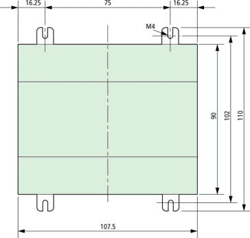
| Dimensions (W x H x D) | 4 x 3.5 x 2.3 in. |


Doing business with KM Parts has been a game-changer for our company. Their vast inventory and prompt same-day shipping have significantly minimized our downtime. The team's expertise and willingness to go the extra mile have made them an invaluable partner in our industrial automation needs.
We only sell authorized Eaton/Moeller parts. No knock-offs, no used parts, all warrantied. As the largest authorized stocking USA distributor representing Eaton/Moeller, we’re here to help your company run smoothly, with the best parts available, at competitive pricing, and with minimal downtime.